Stufenlos abbremsen und beschleunigen mit Mengenreglern
Markus von Niederhäusern, Wandfluh SystemsMarkus von Niederhäusern, WandfluhSystems
VeröffentlichtGeändert
(Bild: AdobeStock_Sashkin)
Um die Geschwindigkeit eines Zylinders oder Hydraulikmotors stufenlos zwischen Höchstgeschwindigkeit und Stopp zu variieren, bieten sich Mengenregler an. Der Anwendungsfall bestimmt, welche Konstruktionsart am besten passt.
Anzeige
Variable Geschwindigkeiten waren noch bis vor 15 Jahren eine große Herausforderung. Nicht zuletzt dank der heutigen Möglichkeiten zur variablen Geschwindigkeitssteuerung werden automatische Prozesse für moderne Fertigungsanlagen erst realisierbar.
Während unsere Vorväter auf den wartungsanfälligen Variator zurückgreifen mussten, um die Drehgeschwindigkeit variabel zu steuern, stehen uns heute in verschiedenen technischen Disziplinen unterschiedliche Möglichkeiten zur Verfügung, um eine lineare, aber auch eine rotative Bewegung stufenlos und bedürfnisgerecht einzustellen. Anwendungsbeispiele gibt es zuhauf: Senkbewegungen bei Staplern oder Kränen, automatisierte Prozesse in Produktionsmaschinen von der CNC-Drehbank bis zur Spritzgießmaschine, aber auch kontrollierte Streumengen im Kommunaleinsatz und in der Landwirtschaft gehören zu den typischen Applikationen.
Anzeige
Die proportionale Drossel und der proportionale Mengenregler unterscheiden sich in mehreren Punkten.(Bild: Wandfluh)
Im hydraulischen Kreislauf lässt sich eine rotative und lineare Bewegung durch die geringe Mediumskompression und die hohe Energiedichte besonders effektiv regeln. Eine der Herausforderungen in der Hydraulik ist der Einsatz über einen großen Geschwindigkeitsbereich mit der Möglichkeit, die Bewegung zum Stillstand zu bringen. Aktuelle Produkte erlauben den Einsatz vom Stopp bis zur Vollgeschwindigkeit und zurück.
Eine Geschwindigkeitssteuerung von Linear- und Drehbewegungen weist in der Gesamtheit eine hohe Komplexität auf, daher ist es für den Systemingenieur essentiell, den spezifischen Anwendungsfall genau zu kennen. Die verschiedenen Konstruktionsarten haben alle ihre Stärken für den richtigen Anwendungsfall. Im Umkehrschluss haben sie jedoch auch ihre Schwächen, wenn sie in der falschen Applikation verwendet werden.
Grundsätzlich ist bei der Auswahl der Komponente darauf zu achten, dass diese die benötigte Anwendungsflexibilität ermöglicht und nicht von vornherein Einschränkungen mit noch höher werdender Komplexität mit sich bringt. Um individuellen Wünschen und Anforderungen gerecht zu werden, ist es wichtig, sich fachkundig und im Idealfall direkt vom Hersteller bei der Selektion beraten zu lassen.
Anzeige
Lastabhängig oder lastkompensiert
Drei Funktionen in einem Ventil: Proportionale und lastkompensierte Mengenregler mit sitzdichter Funktion erlauben die Senkabsicherung in Fahrzeugen mit Hubbewegungen in Kombination mit einer proportional geregelten Absenkgeschwindigkeit.(Bild: Wandfluh)
Es gibt grundsätzlich die beiden Grundtypen der lastabhängigen Mengenregler und der lastkompensierten Mengenregler. Erstgenannter wird oft auch Drossel genannt. Der Charakter einer lastabhängigen Drossel wird vom Eingangsdruck bestimmt. Bei verändertem Eingangsdruck verändert sich auch die Durchflussmenge mit ansteigendem Druckabfall. Die Drossel zeigt ihre Stärken in der Dynamik, zusätzlich auch monetär im Vergleich zum lastkompensierten Mengenregler. Grundsätzlich wird mit einer Drossel der Öffnungsquerschnitt proportional eingestellt. Sie besteht aus einer Büchse und einem Drosselkolben mit proportionalem Aktuator.
Die Wiederholgenauigkeit und Hysterese hat einen direkten Zusammenhang mit der Leckage. Um in einem Ventil den ganzheitlichen Anforderungen gerecht zu werden, ist eine sehr hohe Fertigungsgenauigkeit erforderlich. Eine direktgesteuerte Drossel hat ventilintern keine Regelungsmechanik, wodurch sie für hochdynamische Anwendungen geradezu ideale Bedingungen aufweist. Der Druckabfall ist durch den Durchfluss geprägt. Bei zu hohem Durchfluss zieht sich der Drosselkolben durch die Strömung zu.
Der lastkompensierte Mengenregler zeichnet sich durch die Durchflussstabilität bei wechselnden Eingangsdruckbedingungen aus. Die Grundkonstruktion basiert auf dem zuvor erklärten Drosselprinzip. Durch Ergänzung der Druckwaagefunktion kann ein stabiler Volumenstrom erreicht werden. Die genannte Druckwaage stabilisiert den Druckabfall über die Drossel, wodurch die Durchflussmenge konstant gehalten wird. Ein lastkompensierter Mengenregler besteht somit faktisch immer aus zwei Ventilen kombiniert in einem Ventil. Eine Möglichkeit ist die sogenannte Hülse-in-Hülse-Konstruktion. Diese Konstruktionsart erlaubt eine hohe Durchflussgenauigkeit über den gesamten Druckbereich.
Entscheidend für eine hohe Wiederholgenauigkeit mit geringer Hysterese und Durchflussstabilität ist eine hohe Produktionsgenauigkeit mit Fokus auf die interne Leckage. Die Hülse der Druckwaage läuft in der Steuerhülse, in welcher sich wiederum der Drosselkolben bewegt. Die Herausforderung dabei liegt im Zusammenspiel der drei Funktionsteile. Die Haft- und Gleitreibung sind entscheidende Faktoren. Einerseits müssen die Funktionsteile gut geschmiert werden, um den Widerstand zu minimieren. Dabei darf aber das Spiel nicht zu groß sein, da ansonsten die Leckage erhöht und die Stabilität markant verschlechtert wird. Das System ist nur mit kleinen Toleranzen und engen Formtoleranzen zu betreiben.
Die Anwendung dieser Hülse-in-Hülse-Konstruktion ermöglicht zudem eine hohe Durchflussleistung bei kompakter Bauweise. Der Anwender profitiert in der Applikation von Platz- und Gewichtseinsparungen bei der Blockkonstruktion. Die Mengenregler können in Stahl-, Guss- und Aluminium-Blockmaterial eingebaut werden. Proportionale Mengenregler gibt es in verschiedenen Baugrößen und Durchflussbereichen. Bei Wandfluh, um ein Beispiel zu nennen, kontrolliert der kleinste Mengenregler den Volumenstrombereich von fünf bis 100 Milliliter pro Minute, der größte Bruder von 0,3 bis 160 Liter pro Minute bei einer fixen Druckwaage von zehn bar. Durch kundenspezifische Lösungen sind bei dem Hersteller verschiedene Versionen entstanden.
Ein Ventil, drei Funktionen
Anzeige
Hier wird der Druck mit proportionalen Drosselventilen geregelt.(Bild: Wandfluh)
Aus Sicherheitsgründen ist in Fahrzeugen mit Hubbewegungen eine Senkabsicherung nötig. Die Kombination dieses Bedürfnisses mit einer proportional geregelten Absenkgeschwindigkeit im Anwendungsfall ermöglicht der speziell konzipierte proportionale und lastkompensierte Mengenregler mit sitzdichter Funktion. Hier stehen auf dem Markt Ventile zur Verfügung, welche die drei Funktionen Drossel, Druckwaage und Sitzventil in einem Ventil vereinen. Solche Komponenten eignen sich insbesondere für kompakte Absenklösungen in Mobilanwendungen. Es gibt sie in normal offener sowohl auch in normal geschlossener Ausführung.
Wozu lastkompensierte Mengenregler?
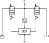
Bei der dynamischen Druckregelung gibt es eine simpel gehaltene Reglerelektronik mit autarken Steuerkreisen für jedes proportionale Drosselventil. Über die Ventile wird der Eingangs- und den Ausgangsvolumenstrom bestimmt und damit indirekt auch der Druck im nachfolgenden Druckraum eines Aktuators.(Bild: Wandfluh)
Lasten sind in der Praxis häufig nicht konstant: Auf der Werkzeugmaschine ist es der Sprung von Haftreibung auf ausschließlich Gleitreibung; bei Containerstaplern ist die Last der Container unterschiedlich; bei einem Windgenerator herrschen wechselnde Windverhältnisse. Ein lastkompensierter Mengenregler ist genau für solche Anwendungen gemacht. Schnelle Ansprechzeiten und gleichbleibender Durchfluss bei plötzlichen Lastwechseln zeichnen hohe Qualität bei Mengenreglern aus. Diese übernehmen verantwortungsvolle Aufgaben: Ein Streuer beispielsweise kontrolliert die Menge des Streuguts durch proportionale Mengenregler und übernimmt somit indirekt das gesetzeskonforme Ausbringen von Streusalz, Splitt oder Dünger. Durch die intelligente Vernetzung mit GPS-Tracking kann die Menge der Situation vor Ort angepasst werden, womit der Salzstreuer auf gefährlichen Stellen automatisch die Streumenge variiert. Ein anderes Beispiel ist der Düngerstreuer, der die ausgebrachte Menge an die Bodenverhältnisse anpasst. Auf diese Weise lassen sich ökologische und ökonomische Verbesserungen durch den Einsatz proportionaler Mengenregler erreichen.
Anzeige
Hochdynamische Druckregelung
Mengenregler werden benötigt, um Senkbewegungen bei Staplern und Kränen variabel zu gestalten.(Bild: AdobeStock_thomaslerchphoto)
Es klingt paradox, doch mit proportionalen Drosselventilen können äußerst dynamische Druckregelkreise aufgebaut werden, welche jeglicher Situationsänderung mit unmittelbarer Reaktion begegnen. Hochdynamische Druckregelungen werden in der Textilindustrie, jedoch auch immer häufiger im Pressenbau angewendet. Das Funktionsprinzip basiert auf einer leistungsstarken, simpel gehaltenen Reglerelektronik mit autarken Steuerkreisen für jedes proportionale Drosselventil. Die Drosselventile kontrollieren den Eingangs- und den Ausgangsvolumenstrom und damit indirekt auch den aufgebauten Druck im nachfolgenden Druckraum eines Zylinders oder Hydraulikmotors.
Durch den geschlossenen elektronischen Regelkreis weiß die Reglerelektronik über den Drucktransmitter immer, ob Volumen zu- oder abgegeben werden muss. Hydraulisch funktioniert die Druckregelung unter stetiger Bewegung der Ventile. Der Vorteil dieser Anwendung liegt in der autarken Ventilansteuerung, welche faktisch einer überdeckungsfreien Technik ohne Reaktionszeit gleichkommt.
Anzeige
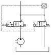
In einem hydraulischen System mit einem stetigen Abfluss, wie es zum Beispiel bei der Zugkraftlimitierung einer Seilwinde durch die Leckage im Hydraulikmotor der Fall ist, kann der Regelkreislauf vereinfacht werden. In einem solchen Anwendungsfall kann die Druckregelung mit ausschließlich einem Ventil und einem elektronischen Regelkreis mit Druck-Feedback und Reglerelektronik ausgeführt werden. In Kombination mit einer variablen Pumpe besticht das System durch eine hohe Energieeffizienz und längere Wartungsintervalle.
Die Dynamik erlaubt eine hohe Genauigkeit und bei idealen Bedingungen eine Druckstabilität innerhalb von 0,2 bar. Die typischen proportionalen Begleiteigenschaften wie Hysterese und Wiederholgenauigkeit werden durch die ständige Bewegung eliminiert.
Mengenregler im Ex-Bereich
So funktioniert die dynamische Druckregelung mit Zuflussregelung.(Bild: Wandfluh)
Die Gerätefamilie der proportionalen Drosseln und Mengenregler kann durch Verwendung entsprechend zertifizierter Magnetspulen auch in explosionsgeschützten Bereichen eingesetzt werden. Die Leistungen der „normalen“ und der explosionsgeschützten Ventile können dabei durchaus nur marginal voneinander abweichen, beispielsweise wenn der Hersteller ein Baukastensystem einsetzt. Die Gerätefamilie steht auf dem Markt somit mit IECEx-, Atex-, EAC-, Inmetro-, UL-, CSA-, Nepsi-, MA- und Australia-Zertifikaten zur Auswahl. Teilweise bieten Hersteller auch an, die Verstärkerelektronik direkt in der Magnetspule zu verbauen.
Neben der Spule geht es im explosionsgeschützten Einsatz oft um weitere Faktoren wie erhöhte Korrosionsbeständigkeit, Tieftemperaturanwendungen und Einsatz von niedrig viskosen Flüssigkeiten. Auch für solche spezifischen Fälle gibt es Drosseln und Mengenregler. do
Bleiben Sie informiert
Diese Themen interessieren Sie? Mit unserem Newsletter sind Sie immer auf dem Laufenden. Gleich anmelden!