Neue Hydromotoren

Leise aufs Feld: Innenzahnrad-Motoren für mobile Maschinen

Veröffentlicht Geändert
Sämaschine,
Bei Sämaschinen stehen die Reduzierung der Geräuschemission und die Optimierung der Arbeitseffizienz im Fokus jüngster Entwicklungen. Innenzahnradmotoren der Baureihe QXM-Mobil von Bucher Hydraulics erfüllen mit leisem Lauf, hohen Drehzahlen und hoher Belastbarkeit durch externe Kräfte die hohen Anforderungen an Antriebe für Lüfter, Gebläse und Kompressoren.

Bei steigenden Kosten für Saatgut und immer höheren Umweltschutzauflagen werden präzises Dosieren und Verteilen in der Sätechnik immer wichtiger. Bei der erfolgreichen Umsetzung helfen Innenzahnradmotoren der Baureihe QXM-Mobil von Bucher Hydraulics.

Die Sätechnik ist ein wichtiger Baustein in der von zunehmender Effizienz geprägten Landtechnik. Die Aussaat bildet den Mittelpunkt einer erfolgreichen Ertragssteigerung. Einerseits wird sie bestimmt von der Art der vorausgehenden Bodenbearbeitung und andererseits ist sie ausschlaggebend für die Dünge- und Pflanzenschutzstrategie. Deswegen müssen Sämaschinen abeitseffizienter, schneller, ablagegenauer und leiser werden. Die Auswahl von Antrieben für Lüfter, Gebläse und Generatoren ist dabei ein zentrales Thema. So unterschiedlich die Antriebsfunktionen in den selbstfahrenden und gezogenen Arbeitsmaschinen auch sind, alle benötigen eine zuverlässigen und geräuscharmen Motor mit hohen Drehzahlen. Mit diesen Anwenderzielen im Fokus entwickelte Bucher Hydraulics aus der QX-Baureihe neue Innenzahnradmotoren für den Mobilbereich. Sie stehen in zwei Baugrößen QXM12 und QXM22 mit Schluckvolumen zwischen 2,5 und 8 cm³ pro Umdrehung zur Verfügung und arbeiten mit einem Betriebsdruck von maximal 210 bar.

Kompakter Antrieb für Mobile Maschinen

QXM Innenzahnradmotor,
Anwender erhalten die QXM Innenzahnradmotoren auf Wunsch mit integrierten Ventilfunktionen und mit direkten Einbau von Druckbegrenzungs-, Nachsaug- und Stromregelventile an. Zudem ermöglichen Wegeventile das Zu- und Abschalten der Einheit und deren Umstellung von Links- auf Rechtslauf.

Die mit den QXM-Motoren realisierbaren Drehzahlen von bis zu 6.000 Umdrehungen pro Minute unsterstützen die fortschreitende Optimierung der selbstfahrenden Arbeitsmaschinen. Zur Reduzierung von Bauraum und Kosten werden Lüfter und Gebläse immer kleiner. Mit geringeren Durchmessern der Einheiten muss jedoch die Antriebsdrehzahl erhöht werden, um weiterhin eine hohe Leistungsfähigkeit zu gewährleisten. Konstruktionsbedingt bieten QXM-Motoren über die hohen Drehzahlen hinaus auch eine deutlich größere Betriebssicherheit und längere Lebensdauer verglichen mit anderen typischen Antrieben in der Sätechnik. Basis für diese Vorzüge ist die Zwangsschmierung der hydrodynamischen Lagerungen im nicht-kompensierten System, mit der thermische Überbelastungen der Schmierfilme nahezu ausgeschlossen sind.

Diese Technologie überzeugt bereits bei Anwendungen als Lüfterantrieb in Traktoren zur Kühlung der Ladeluft von Turboladern. In Sämaschinen erfüllen die QXM-Motoren sowohl die Anforderungen an Vakuum-Lüfterantriebe als auch an Gebläseantriebe, mit denen das Saatgut innerhalb der gezogenen Maschine vom Zentraltank zu den Verteilerscheiben befördert wird. Die Innenzahnradmotoren unterstützen somit die Zielsetzung moderner Saatgut-Verteilsysteme, die Wirtschaftlichkeit durch schnellere Befüllung der Maschine und optimierte Aussaatzeiten zu erhöhen.

Leiser Betriebsmodus

Antrieb für Lüfter,
Die QXM Innenzahnradmotoren haben hohe Lastkapazität. Ob als Antrieb für Lüfter, Gebläse oder Generatoren mit Riemenantrieb: Die Konstruktion ist fähig, die erhöhten Radialkräfte, die aufgrund von Geräteschwingungen beim Fahren über Bodenunebenheiten entstehen, zuverlässig aufzunehmen.

Leiser Lauf, stabiles Drehmoment und ein gutes Anlaufverhalten sind weitere Stärken der Innenzahnradmotoren. Ausschlaggebend hierfür sind konstruktive Details wie die lange Druckabbaustrecke entlang des Halbmonds und das langsame Öffnen und Verdrängen über die Spezial-Innenverzahnung. Eingesetzt als Antrieb für Lüfter, Gebläse und Generatoren in Sämaschinen arbeitet der Motor äußerst leise, und das Hydrauliksystem wird aufgrund der geringen Pulsation selbst bei hohen Drehzahlen kaum in Schwingung versetzt. So ist das Geräusch angenehm für Fahrer und Umgebung.

Statt einer einteiligen Ritzewelle haben die Motoren eine separate Ausführung von Ritzel und Welle, was mehrere Vorteile bietet. Konstruktionsbedingt kann das Ritzel im nicht-kompensierten Kammersystem frei rotieren, so dass der Motor ohne jeglichen Stick-Slip-Effekt sauber anläuft. Da auch das Ritzel ohne starre Verbindung zur Welle axial frei beweglich ist, kann Bucher Hydraulics ein Vorsatzlager direkt auf der Motorwelle integrieren. Der Anwender spart Aufwand und Kosten, wie sie für die erforderliche Sondermontage des aufgesetzten Vorsatzlagers bei Außenzahnradmotoren anfallen. Gleichzeitig erfordert der QXM-Motor weniger Bauraum.

Flexiblere und präzisere Aussaat

Simulation Sämaschine,
Raue Bedingungen sind in der Landtechnik Alltag; Komponenten müssen zuverlässig sein.

Zudem nimmt die Kombination aus Welle und integriertem Vorsatzlager hohe äußere Kräfte auf und ist extrem belastbar. Diese hohe Lastkapazität macht sich auch beim Antreiben von Lüftern und Gebläsen bezahlt. Das Eigengewicht der meist direkt auf das Wellenende montierten Gebläseräder lastet sicher auf der Konstruktion. Darüber hinaus werden selbst die erhöhten radialen Kräfte, die aufgrund von Geräteschwingungen beim Fahren über Bodenunebenheiten entstehen, zuverlässig aufgenommen.

Funktion Innenzahnradmotor QXM,
Die spezielle Konstruktion emröglicht, dass der Innenzahnradmotor QXM gut anläuft, leise arbeitet und selbst bei hohen Drehzahlen stabile Drehmomente aufweist. Diese Vorteile basieren auf der langen Druckabbaustrecke entlang des Halbmonds und den Vorteilen der Spezial-Verzahnung.

Eine weitere bedeutende Funktion übernehmen QXM-Motoren als Antriebe für Generatoren, mit deren Strom vor allem im gezogenen Teil von Sämaschinen die Elektromotoren zum Antrieb der Verteilerscheiben gespeist werden. Erklärtes Ziel der Endanwender ist die höhere Flexibilität und Präzision bei der Aussaat.

Um jeder Situation gerecht zu werden, steigt der Bedarf an elektrischer Bedienung der einzelnen Scheibenantriebe, so dass individuelle Geschwindigkeiten eingestellt werden können. Dieser Trend erfordert mehr elektrische Energie, als Zugmaschinen derzeit bereitstellen. Deshalb kommen zur weiteren Stromerzeugung mit hydraulischer Energie versorgte Generatoren zum Einsatz.

Raue Bedingungen sind Alltag in der Landtechnik und verlangen eine hohe Zuverlässigkeit, um die Verfügbarkeit der Maschinen zu gewährleisten. Deshalb verzichtet Bucher Hydraulics bei den Innenzahnradmotoren auf Aluminium und Buntmetalle und nutzt die Formsteifigkeit von Grauguss, der sowohl ermüdungsfrei als auch in puncto verwendeter Flüssigkeiten beständig ist.

Betriebssicherheit Grafik,
Während kontinuierlich hohe Drehzahlen von mehr als 3.000 U/min für andere Motoren problematisch werden, erzielt der QXM trotz der Höchstleistungen von 6.000 Umdrehungen eine deutlich höhere Betriebssicherheit und längere Lebensdauer.

Außerdem muss bei der Feldarbeit eine Kontamination von Boden und Saatgut in jedem Fall vermieden werden. Diese werden durch Leckagen verursacht. Mit einer speziellen Dichtungsvariante verhindert Bucher Hydraulics, dass diese entstehen. Die Dichtung besteht aus einer speziellen Anordnung von zwei Wellendichtringen mit Indikationsbohrung im Zwischenraum, die den unkontrollierten Austritt von Öl sicher verhindert.Weiteren Komfort bieten die QXM-Motoren anhand von integrierten Ventilfunktionen. Abgestimmt auf die Ansprüche der jeweiligen Anwendung können Druckbegrenzungsventile, Nachsaugventile und Stromregelventile direkt im Motor eingebaut werden. Zudem kann der Fahrer anhand von Wegeventilen die Einheit zu- und abschalten, und sie ermöglichen die Umstellung von Links- auf Rechtslauf, wenn die Richtung des Gebläses, beispielsweise zum Reinigen einer Kühlerlüftung, geändert werden soll.

Gute Eigenschaften für mobile Anwendungen

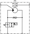
Grafik QXM,
QXM Innenzahnradmotoren mit Nachsaugventil, ON/OFF-Ventil, externem Leckölanschluss, Dichtungsvariante für extrem hohe Sicherheit gegen Leckage nach außen und Indikationsbohrung.

Abgesehen von Sämaschinen sind die Features der Innenzahnradmotoren QXM auch in allen mobilen Anwendungen gefragt, in denen Forderungen nach bedarfsgerechtem und somit wirtschaftlichem Einsatz erfüllt werden müssen. So können Lüfter in Traktoren, selbstfahrenden Erntemaschinen und Holzerntemaschinen aber auch in Baumaschinen von QXM-Motoren angetrieben werden.

Als Antrieb von Kompressoren für Klimaanlagen in Baumaschinen steht der leise Lauf des Motors an oberster Stelle der Auswahlkriterien. Die raue Arbeitsumgebung der großen Maschinen erfordert gleichzeitig zuverlässige Betriebssicherheit und lange Lebensdauer, wie sie die Innenzahnradmotoren aufweisen. hei

Diese Themen interessieren Sie? Mit unserem wöchentlichen fluid-Newsletter sind Sie immer auf dem Laufenden.